芯森CM2A H00是一款固定增益的闭环霍尔电流传感器,是一种没有插入损耗、低温漂、高精度、高线性度的电流隔离测量关键电子元器件,能够将电路中的直流、交流、脉冲电流转换为可测量的电信号,输出为电流,供电电压±12~20V,精度达0.3%,响应时间0.5us,可国产替代LF305-S系列电流传感器。

CM2A H00闭环霍尔电流传感器工作原理:
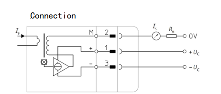
原边导线插入传感器中间孔径,原边电流产生的磁力线与CM2A 内置元件产生感应电压,再经过后续电子电路输出副边电流。注:CM2A H00输出增益为0.5,连接电路图如下图所示。

CM2A H00闭环霍尔电流传感器的优势及特点:

CM2A H00闭环霍尔电流传感器的应用场景:
CM2A H00闭环霍尔电流传感器的典型应用场景之一为变频器。变频器是把电压与频率固定不变的交流电,变换为电压和频率可变交流电的装置,变频器一般用于控制交流电机的转速或输出转矩,输入电压不高于690V的变频器为低压变频器。目前低压变频器发展比较成熟,具有较为一致的主电路拓扑结构。
CM2A H00在变频器中的主要作用:
(1) 电流转换:AC-DC-AC电流转换
(2) 电流检测:精确检测电流大小
(3) 电流保护控制:检测变频器输出电流的异常情况,如过载、短路等,并触发保护机制,避免变频器损坏。保护机制可以自动切断变频器的输出,或通过控制系统发出报警信号,提醒用户及时处理故障
关于我们:天津芯森电子科技有限公司坐落于天津市宝坻区京津中关村科技城,是一家专业从事电流、电压传感器研发、生产、销售和服务为一体的国家高新技术企业。公司霍尔及磁通门技术电流、电压传感器主要对标瑞士LEM集团,德国VAC,日本Tamura,美国Allegro和Honeywell等国际厂家产品。根据客户需求,自主研发了系列电流、电压传感器。电流传感器测量范围从5mA到5000A,电压传感器从10V到6400V,广泛应用于光伏,风能,储能、新能源汽车、充电桩和工控设备等领域。