芯森AS1V H00是一款基于ASIC技术开发的开环霍尔电流传感器,是一种可编程、比例输出、低功耗、隔离绝缘的关键电流测量元器件,输出信号为电压,供电电压+5V,精度<1%,工作温度范围-40~105°C,零点电压为Vcc/2,体积极小,主要用于工业应用领域如电池管理、交流变频调速、SMPS、UPS等。安装方式为通孔式,可国产替代HASS-S系列电流传感器。

AS1V H00开环霍尔电流传感器使用方法:
AS1V H00通孔为方形,原边导线插入传感器中间孔径,原边电流产生的磁力线与AS1V H00内置元件产生感应电压,再经过后续电子电路输出副边电流。注:AS1V H00输出增益随产品量程变化,管脚定义及三视图如下所示。

AS1V H00开环霍尔电流传感器优势及特点:

AS1V H00开环霍尔电流传感器的应用场景:
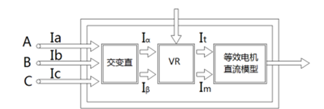
AS1V H00开环霍尔电流传感器的典型应用场景之一为交流变频调速。目前市场应用主要集中在交流异步电机的变频调速,其产品种类丰富,功率登记覆盖范围宽,可以满足各种严苛要求的调速应用。交流变频调速系统在实现其调速性能时,会根据需求采用不同的控制方式,主要包括V/F控制、矢量控制、直接转矩控制等。下图为矢量控制交流异步三相/二相变换原理图。AS1V H00主要应用于AC-DC模块。

AS1V H00开环霍尔电流传感器在交流变频调速中的作用:
(1) 低损耗隔离式电流采样
(2) 电流转换:将AC电流转化为DC电流或者DC电流转换为AC电流。
(3) 系统的实时测量与监控
(4) 可编辑运算实现整机的自动电流保护
关于我们:天津芯森电子科技有限公司坐落于天津市宝坻区京津中关村科技城,是一家专业从事电流、电压传感器研发、生产、销售和服务为一体的国家高新技术企业。公司霍尔及磁通门技术电流、电压传感器主要对标瑞士LEM集团,德国VAC,日本Tamura,美国Allegro和Honeywell等国际厂家产品。根据客户需求,自主研发了系列电流、电压传感器。电流传感器测量范围从5mA到5000A,电压传感器从10V到6400V,广泛应用于光伏,风能,储能、新能源汽车、充电桩和工控设备等领域。