芯森CM3A H00是一款采用Molex 6410副边插座的固定增益闭环霍尔电流传感器,是一款没有插入损耗、低温漂、高精度、高线性度的电流隔离测量关键电子元器件,能够将电路中的直流、交流、脉冲电流转换为可测量的电信号,输出为电流,供电电压±15~24V,精度达0.5%,响应时间1us,可国产替代LF505-S系列电流传感器。

CM3A H00闭环霍尔电流传感器工作原理:
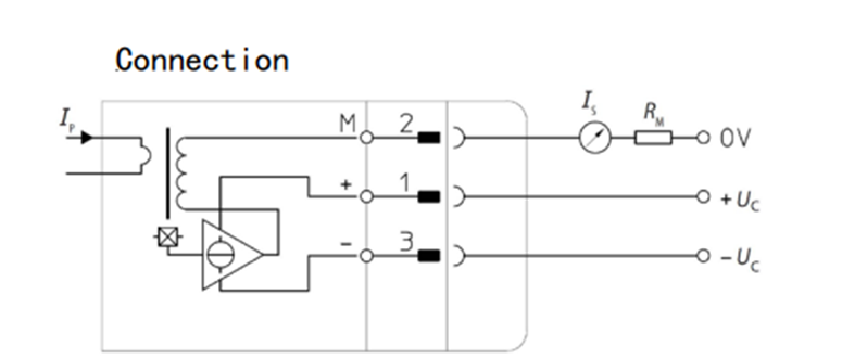
原边导线插入传感器中间孔径,原边电流产生的磁力线与CM3A 内置元件产生感应电压,再经过后续电子电路输出副边电流。注:CM3A H00理论增益为0.2,连接电路图如下图所示。

CM3A H00闭环霍尔电流传感器极限参数及特性

CM3A H00闭环霍尔电流传感器的应用场景:
l 交流变频调速
l 伺服电机
l 不间断电源
l 开关电源
l 电焊机电源
l 电池管理
l 风能变频器
l 测试和测量设备
关于我们:天津芯森电子科技有限公司坐落于天津市宝坻区京津中关村科技城,是一家专业从事电流、电压传感器研发、生产、销售和服务为一体的国家高新技术企业。公司霍尔及磁通门技术电流、电压传感器主要对标瑞士LEM集团,德国VAC,日本Tamura,美国Allegro和Honeywell等国际厂家产品。根据客户需求,自主研发了系列电流、电压传感器。电流传感器测量范围从5mA到5000A,电压传感器从10V到6400V,广泛应用于光伏,风能,储能、新能源汽车、充电桩和工控设备等领域。