传感让世界更智能
芯森感受美好世界
客户至上、品质卓越、创新思变、诚信合作

公司始终以“持续为客户提供更优的传感器,成为一流智能传感方案服务商”为使命

为客户提供高质量、高可靠性、高一致性、高性价比和完全自主可控的传感器

关于我们
联系我们
News information
新闻中心
芯森电子CM4A霍尔闭环电流传感器在机车牵引系统中的应用实例解析
来源: | 作者:芯森电子 | 发布时间: 2025-09-04 | 412 次浏览 | 🔊 点击朗读正文 ❚❚ | 分享到:

在现代铁路交通中,不论是时速达350公里/时的“复兴号”高铁,还是时速250公里/时的“和谐号”动车,主要是靠电力来驱动。机车牵引系统是保障列车高效、安全运行的核心动力系统。复杂的机车牵引系统中,需要实时监测牵引电机电流,为控制系统提供精确的反馈信号,确保牵引力的稳定输出、过流保护和能效优化等,保障系统的稳定运行。本文将结合几种常见的电流检测方案解析其在机车牵引系统中的典型应用实例

 

 

高铁和动车动力简介

绝大多数高铁和动车如和谐号、复兴号,都依赖外部电力系统为其提供动力来源:车顶的“受电弓”与接触网导线持续接触,将高压电引入列车,经牵引变压器、变流器等设备转换为驱动电机的三相交流电,最终通过牵引电机驱动车轮。

注:部分动车可能采用电力和内燃机混合驱动,以便适应复杂线路。

 

机车牵引系统中的电流检测需求

机车牵引系统通常由变流器、逆变器和牵引电机组成。牵引电流具有以下特征:

幅值大:牵引电机在加速和爬坡时电流可达数百安培甚至上千安培。

变化快:在再生制动、牵引/制动切换过程中,电流方向和大小都可能瞬间变化。

安全性要求高:任何电流检测误差都可能导致控制算法失效,影响运行稳定性和安全性。

因此,应用在机车牵引系统中的电流传感器一般需要具备高精度、宽测量范围和快速响应特性,同时满足电气绝缘和耐环境性的要求。

机车牵引系统常见电流检测方案

机车牵引系统的电流有分流器、罗氏线圈、光纤电流传感器、磁通门霍尔闭环电流传感器等不同检测方案。它们在性能、适用场景和成本方面各有特点:

检测方案

原理

优点

缺点

典型应用场景

分流器+隔离放大器

测量电阻压降

成本低,结构简单,高频响应好

功率损耗大,绝缘性差

低压辅助电路、控制单元

罗氏线圈

电磁感应(交流/暂态)

带宽高,无饱和,柔性安装

不能测直流,需要积分电路

谐波监测、短路暂态分析

光纤电流传感器

法拉第磁光效应

绝缘性极佳,抗干扰强

成本高,维护复杂

高压直流供电、变电所

磁通门传感器

铁芯磁饱和检测

精度高,漂移小,直流测量好

成本高,带宽低

轨道牵引大电流、电池系统

霍尔闭环

霍尔效应+反馈补偿

可测直流/交流/脉冲,高速响应,精度高,绝缘安全

成本中等,对安装有要求

牵引变流器电流检测、保护控制

 

在实际机车牵引系统中,往往不是单一方案,而是根据不同应用场景、环节的功能需求组合使用

精度与直流测量需求高 霍尔闭环/磁通门

谐波与暂态分析 罗氏线圈

绝缘等级最高 光纤传感器

低成本与简单应用 分流器

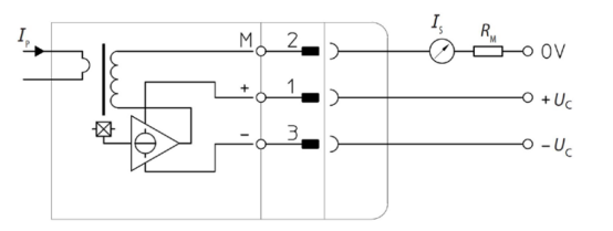
霍尔闭环电流传感器在机车牵引系统中的应用实例

 

从应用图可以看到,CM4A被安装在牵引变流器的直流母排或交流输出端,原边母排完全充满传感器的过孔传感器的输出线束连接到控制系统,为系统提供实时的电流反馈信号。其典型作用包括:

牵引逆变器中的电流反馈CM4A传感器实时监测牵引电机的相电流,为逆变器的控制单元提供精确的电流反馈实时调整PWM调制,实现电机的精准控制。通过闭环控制,可以优化牵引力输出、实现过流保护和故障诊断。

再生制动系统中的能量回馈:在再生制动模式下,CM4A传感器精确测量回馈电流,确保能量回收的效率和稳定性,防止回馈电流过大导致电网或储能装置过载。

保护功能当牵引电流异常过大(如短路或失控情况),传感器信号可触发保护机制,避免功率器件损坏。

状态监测与故障诊断通过对电流波形的实时采集,可辅助故障录波与健康监测系统,实现预测性维护。

辅助系统的电流监测CM4A还可用于机车的辅助系统,如辅助逆变器和电池管理系统,为空调、照明等设备提供稳定的电力监测。

 

霍尔闭环电流传感器CM4A 1000 H05简介

CM4A系列电流传感器是芯森电子自主研发的采用霍尔闭环(补偿)原理,通过霍尔元件检测原边电流产生的磁场,并通过副边线圈产生补偿电流,实现原边与副边的电气隔离。

 

核心技术参数

参数类别

关键指标

机车牵引应用价值

额定电流范围

±1000 A(可扩展至±2100 A)

覆盖机车牵引电机的大电流测量需求

精度

±0.3% @ IpN

确保牵引力控制的精确性

线性度

±0.1% @ 0~IpN

提高电流反馈的一致性

响应时间

0.5~1 μs @ 90% IpN

支持牵引逆变器的高动态控制

绝缘耐压

3.8 kV AC(50 Hz,1 min)

满足机车高压系统的安全标准

瞬态耐压

16 kV(1.2/50 μs)

抗雷击和瞬态过电压能力

工作温度范围

-40~85°C

适应机车运行的极端温度环境

带宽

150 kHz

适应PWM逆变器的高频电流变化

 

典型应用连接图

 

总结

在机车牵引系统中,霍尔闭环电流传感器通过高精度、快速响应和良好的绝缘特性,为牵引电机控制与系统保护提供了可靠的电流检测手段。虽然它并非万能解决方案,但在高压、大电流的铁路牵引场景下,确实是一种成熟且值得信赖的技术路径。