

公司始终以“持续为客户提供更优的传感器,成为一流智能传感方案服务商”为使命
为客户提供高质量、高可靠性、高一致性、高性价比和完全自主可控的传感器
2025年8月1日起,关于新能源汽车及其充电桩的两大标准《电动汽车供电设备安全要求》(GB 39752—2024)和《电动汽车传导充电系统安全要求》(GB 44263—2024)开始实施。新标准的实施将进一步提升电动汽车供电设备和充电系统的安全水平,保障电动汽车用户生命财产安全。本文仅就600KW以上直流充电桩中的PFC模块电流检测应用问题进行探讨。
什么是直流快充
直流快充(DC Fast Charging)是电动汽车充电技术中的一种高效充电方式,能在短时间内为车辆补充大量电能,显著提升充电效率,其原理是将交流电转换为高压直流电(通常300-900V),绕开车载充电OBC,直接输送到电动汽车的动力电池组。现在市面上超快充桩(如 480kW、600kW)甚至能实现 “充电 5 分钟,续航 200 公里”,大幅缩短充电时间。
直流快充的核心组件
1、功率变换模块:作用是将电网输入的交流电转换为电池所需的高压直流电,是实现快充的核心动力源。
2、控制系统:协调充电桩各模块工作,与车辆 BMS(电池管理系统)通讯,动态调整输出电压、电流,确保充电安全与效率。
3、散热系统:高功率快充时,功率模块会产生大量热量(如 600kW 充电桩每小时散热需求可达数十千瓦),温度过高会导致器件损坏。400KW以上超充桩采用水冷为主的液冷散热器。
4、输入输出保护装置:
l 输入侧:断路器(过载 / 短路保护)、防雷模块(防止雷击损坏设备)、漏电保护器(保障人员安全)。
l 输出侧:直流接触器(快速切断输出,故障时保护电池)、电压 / 电流传感器(实时监测输出状态)。
直流快充的“心脏”--电源模块
在超充桩的功率变换模块中,电源模块是实现电能转换与功率输出的核心单元,直接决定了超充桩的功率等级、转换效率和稳定性。它通常以模块化设计存在,例如600kW桩往往由多个100-150kW模块并联组成,通过组合实现超高功率输出(如 480kW、600kW 甚至 1000kW 以上)。
电源模块是一个集成化的 “电能转换单元”,核心结构包括以下部分:
核心部件 | 作用 | 关键器件 / 技术 |
整流单元 | 将输入的交流电(AC)转换为直流电(DC),是交直流转换的第一步。 | 采用三相桥式整流电路,核心器件为二极管或 IGBT(可控整流)。 |
滤波单元 | 滤除整流后直流电中的纹波(电流波动),输出平滑的直流电压。 | 电解电容、薄膜电容(耐高压、低 ESR,适合高频场景)。 |
DC-DC 变换单元 | 对整流后的直流电进行电压 / 电流调节,匹配电池所需的高压输出(如从 500V 升压至 800V)。 | 高频变压器(实现电气隔离)、IGBT 或 SiC MOSFET(开关器件)。 |
驱动与保护电路 | 驱动开关器件(IGBT/SiC)工作,并监测模块状态(过压、过流、过热)。 | 驱动芯片(如隔离式栅极驱动器)、传感器(电压 / 电流互感器)。 |
超充桩整流单元的 “功率调节中枢”—功率因数校正PFC
在超充桩的整流单元中,PFC(Power Factor Correction,功率因数校正) 是核心技术之一,其作用是改善电网输入电流的波形,提高功率因数,减少对电网的谐波污染,同时提升电能转换效率。其性能直接影响超充桩与电网的兼容性、运行效率和功率稳定性。超充桩中常用的 PFC 技术分为无源 PFC和有源 PFC,其中有源 PFC 因性能优势成为主流,无缘PFC几乎不存在于超充中。
PFC电流检测
在 PFC电路中,电流检测是通过实时采集输入电流,为控制芯片提供反馈信号,确保输入电流波形跟随电压波形呈正弦曲线,从而实现高功率因数和低谐波。
PFC电流检测的三大核心目标
1. 波形跟踪:使输入电流波形与输入电压波形同相位(正弦化),确保功率因数接近 1。
2. 限流保护:实时监测电流峰值或有效值,防止电路因过流(如负载突变、短路)损坏。
3. 谐波抑制:通过精确检测电流畸变,调整开关器件的控制策略,降低总谐波畸变率(THD)。
PFC电流检测对象与场景
PFC 电路中需检测的电流主要包括:
l 交流输入电流:直接反映电网侧的电流波形,用于判断功率因数和谐波水平。
l 电感电流:在 Boost 型 PFC(超充桩主流拓扑)中,电感是储能核心,其电流变化直接反映能量转换状态,是控制开关管导通 / 关断的关键依据。
l 直流侧电流:部分场景下需检测 PFC 输出的直流电流,用于过流保护或功率闭环控制。
常用电流检测方案及原理
根据检测元件的不同,PFC 电流检测主要分为电阻采样、电流互感器、霍尔传感器三类,以下是三类方案的对比:
检测方案 | 核心原理 | 主要优势 | 主要劣势 | 适用场景 |
电阻采样 | 串联低阻值分流电阻,通过检测电阻两端电压差(U=IR)计算电流 | 1. 成本低、精度高(误差≤0.1%); 2. 响应速度快(无延迟),适配高频场景; 3. 结构简单,易集成。 | 1. 存在功率损耗(P=I²R),大电流下发热明显; 2. 高压侧采样需额外隔离设计(如隔离运放)。 | 1. 中低功率 PFC 或高频场景(如 SiC 基 PFC,开关频率 > 100kHz); 2. 车载充电机等对成本敏感的设备; 3. 低压侧或辅助回路采样。 |
电流互感器(CT) | 基于电磁感应,初级串联被测回路,次级感应出比例电流,再转换为电压信号 | 1. 电气隔离性好,适合高压侧检测; 2. 无串联损耗,耐受大电流(数百 A 至数千 A); 3. 工频下性能稳定。 | 1. 高频(>1kHz)时精度下降,体积较大; 2. 存在相位偏移,影响功率因数控制。 | 1. 工频或中低频 PFC(如 IGBT 基 PFC,开关频率 < 50kHz); 2. 超充桩三相交流输入侧总电流检测。 |
霍尔电流传感器 | 基于霍尔效应,检测电流产生的磁场强度,输出对应电压信号(分开环 / 闭环) | 1. 电气隔离,安全性高,适配高电压、大电流场景; 2. 频率特性优异(直流至 1MHz 稳定); 3. 闭环式精度高(误差≤0.5%)、线性度好。 | 1. 成本高于电阻和 CT(尤其闭环式); 2. 对外部磁场敏感,需屏蔽设计。 | 1. 大功率、高频 PFC(如超充桩 600kW 以上模块); 2. 电感电流闭环控制或直流侧电流检测。 |
PFC 电流检测是 “波形校正” 和 “系统保护” 的双重核心。新国标下,电阻采样因其易产生功率损耗,发热明显等问题已经不大适合超充;电流互感器(CT)需补偿电路或与其他检测方式结合,才可以满足新国标对充电效率和电能质量的要求;霍尔电流传感器契合新国标要求,是较优选择。其电气隔离、高频特性好,精度和线性度满足功率优化与安全保护需求,可胜任 800A 大电流及高频开关电路检测。
AN3V简介
AN3V PB35/55系列,是芯森电子专为大电流检测场景精心打造、全新量产的开环霍尔电流传感器产品。
该系列产品精准聚焦电源、光伏、储能等行业领域,深度契合这些领域对电流测量所提出的高可靠性与高
一致性的严苛需求。AN3V系列新品主要包括AN3V PB35/PB55等多个型号,覆盖从80A到200A的额定测量范围。不仅保证了测量精度,还大幅提升了动态测量范围,可靠性提升,线性度优异。
特性
l 基于霍尔原理的开环电流传感器
l 原边和副边之间绝缘
l 原材料符合UL 94-V0
l 没有插入损耗
l 供电电压:+3.3V
l 高度h=8.7mm
l 执行标准:
n EC 60664-1:2020
n IEC 61800-5-1:2022
n IEC 62109-1:2010
参数特点:
l 供电:+5V/3.3V
l 额定量程:±80~200A
l 测量范围:±80~375A
l 工作范围:-40~105°C
l 典型精度:1%
l 响应时间:2.5μs
l 绝缘耐压:4.3kV
l 带宽:250kHz
l 线性度:0.5%
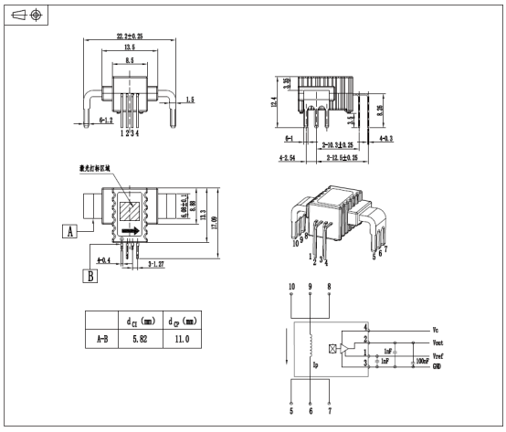
产品尺寸:
结语:澎湃动力的精密守护者
新国标下的600kW以上的直流快充桩,其澎湃动力源自模块化电源的高效转换,而PFC模块作为“能量入口”,其稳定高效的运行离不开精确、快速且安全的电流监测技术。以AN3V为代表的开环霍尔电流传感器ASIC方案,凭借其零损耗、微秒响应、原生隔离及高集成度的综合优势,已成为支撑新一代大功率PFC电路的主流元器件选择之一。它们如同精密的“电流哨兵”,默默守护着PFC模块的高效运转,为新基建的超快充网络奠定坚实的技术基础。
样品及样本
邮箱:info@chipsense.net
电话: 13302876826
Copyright © 2025,www.chipsensor.cn,All rights reserved 津ICP备2022001441号
了解更多资讯