传感让世界更智能
芯森感受美好世界
客户至上、品质卓越、创新思变、诚信合作

公司始终以“持续为客户提供更优的传感器,成为一流智能传感方案服务商”为使命

为客户提供高质量、高可靠性、高一致性、高性价比和完全自主可控的传感器

关于我们
联系我们
News information
新闻中心
“千家万户沐光行动”下,AN3V电流传感器如何保障分布式光伏逆变器的稳定并网
来源: | 作者:芯森电子 | 发布时间: 2025-08-19 | 390 次浏览 | 🔊 点击朗读正文 ❚❚ | 分享到:

近年来,国家能源局提出的“千家万户沐光行动”,鼓励老百姓和中小企业在屋顶装光伏,推动着分布式光伏快速下沉到城乡屋顶。2025年3月份国家能源局印发《关于进一步组织实施好“千家万户沐光行动”的通知》中指出,要引导农村分布式光伏就地消纳,以及高度重视农村分布式光伏发电项目的运维工作。

 

屋顶光伏由于离人近,线路老化或者设备故障都可能引发火灾或者触电。农村自家屋顶光伏发电自家优先消化,多余的再并入电网。如何在农村低成本运维的条件下,保证逆变器的安全、稳定运行,成为行业的关注焦点。

 

分布式光伏逆变器

光伏逆变器(PV inverter或solar inverter)可以将光伏(PV)太阳能板产生的可变直流电压转换为家用/商用的市电频率交流电(AC)的逆变器这个电可以自用或并入电网。

分布式逆变器为什么要电流检测以及面临的挑战

逆变器要把直流电变为交流电,必须精准知道输入直流电流有多大,因为光伏板的发电效率随光照、温度变化,光伏逆变器通过MPPT(最大功率点跟踪)实时“找”到能发最多电的点,提升发电效率,因此,电流测不准,MPPT会失效,发电量就少。由于屋顶分布式光伏朝向比较固定,易受到阴影遮挡,以及气候变化等因素的影响,输出电流存在波动大、谐波干扰强的特点,这对逆变器的电流检测提出了更高要求。

一个高效可靠的逆变器,离不开准确的电流采样,这需要电流传感器要有宽动态范围高抗干扰能力、以及隔离检测能力。应对晴天到阴天、满发到低发的快速切换,抵御逆变器内部开关频率带来的电磁干扰。以下是一些方案对比:

对比项

传统电磁式传感器

AN3V霍尔电流传感器

精度稳定性

温度漂移±3%~5%

全温区±1.6%(TCG参数)

响应速度

毫秒级,跟不上快速变化的电流

250kHz带宽+2.5μs跟踪时间

抗干扰

易受电磁噪声影响,数据波动大

电气隔离设计,抗干扰能力强,超低噪声:1.3mVRMS

安全冗余

隔离耐压≤2.5kV

4.3kV耐压+8kV浪涌防护

环境适应性

耐温一般≤85℃,屋顶高温易罢工

工作温度-40℃~105℃,不怕晒

安装难度

体积大,需预留更多空间

紧凑设计,适配小体积逆变器

 

三大方案对比:

方案类型

精度

隔离性

动态响应

屋顶适配性

分流器

±0.5%

无隔离

高温易漂移

磁通门

±0.2%

中等隔离

(ms级)

体积过大

AN3V

±1%

>8mm爬电距离

2.5μs

-40℃~105℃

 

AN3V推荐安装部署位置

AN3V可安装部署在MPPT控制环节和并网检测环节帮助逆变器实现高效与稳定运行。

1、MPPT控制节点,5.75mV/A高灵敏度,可捕捉微弱电流变化,提升阴雨天发电效率;4.8mVRMS超低噪声,避免误触发MPPT调整。

2、在汇流箱(连接器)出口,多组光伏板的直流电汇流后,要经过这里再进入逆变器。AN3V得实时监测总电流,一旦超过安全阈值(比如±450A),立刻触发保护,避免线路过载起火。

 

 

AN3V简介

AN3V PB35/55系列,是芯森电子专为大电流检测场景精心打造、全新量产的开环霍尔电流传感器产品。

该系列产品精准聚焦电源、光伏、储能等行业领域,深度契合这些领域对电流测量所提出的高可靠性与高

一致性的严苛需求。AN3V系列新品主要包括AN3V PB35/PB55等多个型号,覆盖从80A到200A的额定测量范围。不仅保证了测量精度,还大幅提升了动态测量范围,可靠性提升,线性度优异

 

特性

基于霍尔原理的开环电流传感器

原边和副边之间绝缘

原材料符合UL 94-V0

没有插入损耗

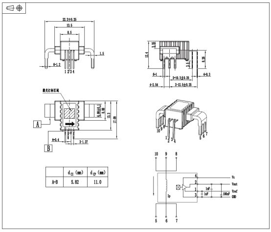
供电电压:+3.3V

高度h=8.7mm

执行标准:

n EC 60664-1:2020

n IEC 61800-5-1:2022

n IEC 62109-1:2010

参数特点:

供电:+5V/3.3V

额定量程:±80~200A

测量范围:±80~375A

工作范围:-40~105°C

典型精度:1%

响应时间:2.5μs

绝缘耐压:4.3kV

带宽:250kHz

线性度:0.5%

产品尺寸:

 

结语:

“千家万户沐光行动”为分布式光伏的发展按下了快进键,也对逆变器的监测与保护提出了更高要求。像AN3V这样优秀的国产传感器,凭借高精度稳定性、高压隔离、宽动态范围、抗干扰设计等特性,成为分布式逆变器稳定并网的技术基石。