芯森CM1A H00是一款采用闭环霍尔技术的电流传感器,是一种用于测量电流(电气隔离,能量回收,电流检测和控制,故障检测和保护)的关键电子元器件,能够将电路中的电流转换为可测量的电信号,输出信号为电流,固定增益,供电电压±12~15V,精度高达0.2%,端子采用Molex 6410,可国产替代LF205-S系列电流传感器。

CM1A H00闭环霍尔电流传感器工作原理:
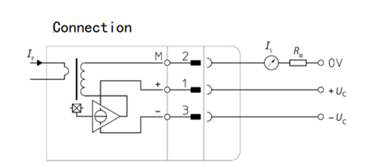
原边导线插入传感器中间孔径,原边电流产生的磁力线与CM1A 内置元件产生感应电压,再经过后续电子电路输出副边电流。注:CM1A H00输出增益为0.5,连接电路图如下图所示。

CM1A H00闭环霍尔电流传感器的优势及特点:

CM1A H00闭环霍尔电流传感器的应用场景:
CM1A H00闭环霍尔电流传感器的典型应用场景之一为不间断电源(UPS)。不间断电源作为应急供电设备,可以储能,还可以输出恒压恒频的电源能量。在市网突然断电或者发生波动时,UPS可以为精密设备提供稳定的电压,保证设备的正常运转。常见的在线式UPS供电原理如下图所示:

CM1A H00在UPS电源中的主要作用:
(1) 检测UPS设备状态。CM1A H00与安全管理模块配合,可以实时监测设备状态,包括输入电压、输出电压、电池电量及电池剩余寿命等,即时发现设备故障和异常情况,减少故障的发生和影响。
(2) 保证电源稳定。利用CM1A H00可实现即使控制UPS设备的输出电压与频率,保证机房电源的稳定和可靠供电。
(3) 安全防护。UPS电池组出现损坏或者漏液可能会导致电池组失效或起火,利用CM1A H00的检测功能,可对电压、电流等参数进行实时监控,及时发现并处理电池组损坏或漏夜的情况。更多信息,请联系芯森
关于我们:天津芯森电子科技有限公司坐落于天津市宝坻区京津中关村科技城,是一家专业从事电流、电压传感器研发、生产、销售和服务为一体的国家高新技术企业。公司霍尔及磁通门技术电流、电压传感器主要对标瑞士LEM集团,德国VAC,日本Tamura,美国Allegro和Honeywell等国际厂家产品。根据客户需求,自主研发了系列电流、电压传感器。电流传感器测量范围从5mA到5000A,电压传感器从10V到6400V,广泛应用于光伏,风能,储能、新能源汽车、充电桩和工控设备等领域。