

公司始终以“持续为客户提供更优的传感器,成为一流智能传感方案服务商”为使命
为客户提供高质量、高可靠性、高一致性、高性价比和完全自主可控的传感器
在中国,空调已经成为家庭生活的必需品,几乎每个房间都有一台空调。据统计,2025年,中国空调市场规模突破8000亿元。随着人们生活水平不断提高,人们对空调的要求也相应提高,既要节能,又要智能化。
2025年中国家用电器技术大会于11月13日在安徽合肥举行,在空调论坛上,来自各大空调品牌厂商和各大院校的专家学者围绕动态能效、节能技术、智能控制、材料与结构创新等11个核心议题展开深度分享,全方位展现了空调产业技术创新的最新成果与未来方向。比如,长虹空调团队通过AI算法精准识别制冷剂含量,突破了传统检测方法效率低、误差大的行业痛点。技术升级成为行业发展的核心驱动力,空调系统在实现节能、智能化、新制冷剂应用的过程中,同样也面临着严峻的技术挑战。
例如,新国标如果要求空调能效等级提升至一级能效,电流监测方案精度不足,导致能效比难以达标。智能化方面,空调系统需实时监测电流,以便实现故障预测和动态调节,传感器/互感器响应慢,无法满足需求。R32、R290等新制冷剂对压缩机电流监测精度要求更高。
在现代空调系统中,电流监测早已超越了简单的“过载保护”功能,它已成为实现高效运行、精确控制、智能诊断和适应新挑战的关键技术。
压缩机是空调的“心脏”,其电流监测的技术需求最为严格。
技术需求:
高精度与动态响应:
需求原因:压缩机的负载随运行工况(蒸发/冷凝温度)变化,电流值是其负载最直接的反映。需要高精度监测(通常误差<1%)以准确计算功率和能效。同时,需快速响应负载突变,防止冲击电流造成误报警。
实现方案:使用闭环霍尔电流传感器或高精度采样电阻+隔离运放电路,提供足够快的响应时间(<1μs)和带宽(>100kHz)。
可靠的电气隔离与安全:
需求原因:压缩机驱动电压高(380V/220V),监测电路必须与主回路强电进行安全、可靠的隔离,保护低压控制板和人员安全。
实现方案:霍尔传感器和电流互感器天然具有隔离特性。采样电阻方案需配合隔离运放或线性光耦。
宽动态范围测量能力:
需求原因:变频压缩机转速范围宽,其电流可从轻载时的几安培变化到满载或启动时的数十安培。传感器必须在整个范围内保持良好的线性度。
实现方案:选择具有足够量程(例如,0-50A)且线性度高的传感器。
在变频空调(特别是使用永磁同步电机的直流变频空调)中,电流监测是矢量控制算法的基石。
技术需求:
超高实时性与多通道同步采样:
需求原因:矢量控制需要实时、精确地获取压缩机三相电流中的两相(第三相可通过计算得出),以解耦控制电机的磁场和转矩。采样延迟或通道间不同步会导致控制失真、转矩波动、效率下降和噪音。
实现方案:使用多个高性能霍尔电流传感器,配合MCU中具有高采样率的同步采样ADC。
极低的相位延迟与高带宽:
需求原因:控制环路(电流环、速度环)的稳定性要求反馈信号相位延迟极小。特别是在高频开关(如20kHz PWM)下,传感器必须有远高于PWM频率的带宽,才能真实还原电流波形。
实现方案:闭环霍尔电流传感器是首选,其带宽通常可达200kHz以上,相位延迟极小。
直流母线电流监测:
需求原因:用于重构三相电流(在特定调制算法下)、进行过流保护和计算系统总输入功率。
实现方案:在直流母线负端串联一个霍尔电流传感器或使用专用的分流器+隔离放大器方案。
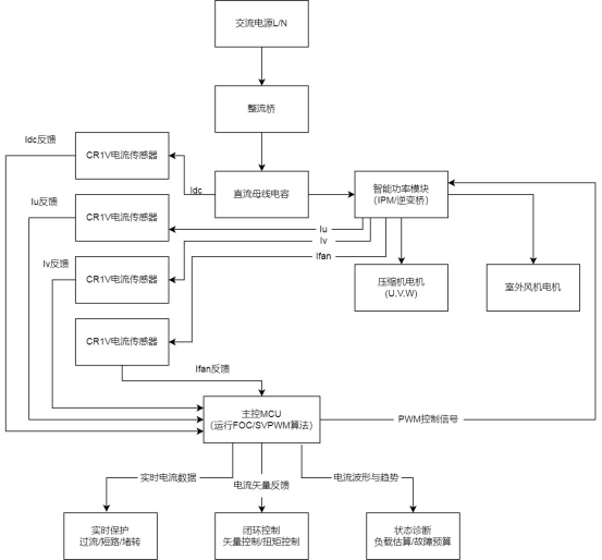
上图为霍尔电流传感器在空调变频器中的应用框架图
电流信号是设备健康状况的“心电图”,智能诊断是电流监测的高级应用。
技术需求:
高频采样与波形分析能力:
需求原因:许多早期故障(如轴承轻微磨损、转子条断裂、冷媒泄漏)会先在电流波形中引入微小的畸变或特定的谐波成分,这些特征无法通过简单的有效值监测发现。
实现方案:系统需具备高频采样和存储能力,能够进行快速傅里叶变换分析电流谐波,或分析电流的时域特征。
趋势记录与学习能力:
需求原因:智能诊断依赖于长期的数据。通过记录历史电流数据(如启动电流峰值、平均运行电流),建立正常运行基线。当电流趋势发生缓慢但持续的变化时(如运行电流缓慢上升),可预警系统效率下降或机械磨损。
实现方案:嵌入式系统或云平台需具备长期数据记录和趋势分析算法(如基于阈值的报警、机器学习模型)。
多参数关联分析:
需求原因:单一的电流值可能无法确定故障根源。需将电流与压力、温度、振动等参数关联分析。例如,电流偏高同时排气压力也高,可能是冷凝器脏堵;而电流偏高但排气压力正常,则可能是机械卡涩。
实现方案:在监控系统或云平台中,实现多传感器数据融合分析。
为应对环保要求,新制冷剂(如R32、R454B、R290等)的应用对电流监测提出了新需求。
技术需求:
应对更高排气压力与温度:
需求原因:一些新制冷剂(如R32)运行压力更高,导致压缩机负载更大,峰值电流可能更高。系统需要更精确的电流监测来确保压缩机在安全区内运行,避免过载。
实现方案:校准电流保护阈值,确保传感器在可能更高的电流范围内仍保持精度。
可燃性制冷剂(如R290)的安全监控:
需求原因:R290(丙烷)具有可燃性。防止任何可能导致压缩机堵转、过热的情况至关重要。电流监测是防止电机过载、过热的第一道防线,其可靠性和响应速度要求极高。
实现方案:采用冗余或更高安全等级的电流监测方案,确保在极端情况下也能快速切断电源。
系统优化与效率提升:
需求原因:新制冷剂系统的特性曲线与旧制冷剂不同。通过精确的电流和功率监测,可以优化变频控制算法,找到新制冷剂系统的最佳能效点。
实现方案:利用高精度的电流和功率数据,在开发阶段和运行阶段不断校准和优化控制模型。
CR1V PB00系列是芯森电子自主研发的基于霍尔原理的闭环(补偿)电流传感器,可用于测量直流、交流和脉冲电流。原材料符合UL94-V0,具有优异的线性度和出色的精度,以及极低的温漂,没有插入损耗,执行标准有:IEC 60664-1: 2020、IEC 61800-5-1: 2022、 IEC 62109-1: 2010。

应用场景 | 推荐型号 | CR1V核心价值 |
压缩机电流监测 | CR1V 25 PB00(适用于主流家用变频空调压缩机) | 高带宽、安全隔离、高精度 |
变频控制系统(直流母线) | 根据母线额定电流选择(如CR1V 15/25 PB00) | 高线性度、安全隔离、实时性 |
智能故障诊断 | 任何型号均可,需保证信号采集电路精度 | 高带宽、高精度、低噪声 提供高质量诊断信号 |
新制冷剂应用 | 作为系统保护传感器,与具体电流值匹配 | 高可靠性、快速响应,增强系统安全冗余 |
选型关键参数:
请根据系统中测量的最大持续电流和峰值电流来选择具体型号(CR1V 6/15/25 PB00)。例如,一台额定电流约10A的压缩机,其峰值电流可能达到20-30A,选择CR1V 25 PB00(额定±25A,峰值±75A)会比较合适。
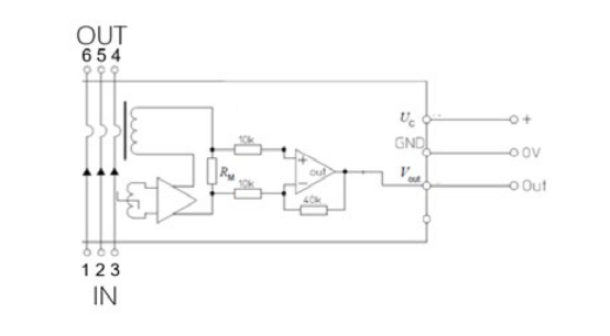
其典型应用图:

综上所述,空调系统中的电流监测技术需求正朝着更高精度、更快速度、更智能分析、更高可靠性的方向发展。它已经从一种被动的保护手段,演变为主动的控制核心和预测性维护的关键使能技术,对于空调系统适应高效、环保、智能化的发展趋势至关重要。
样品及样本
邮箱:info@chipsense.net
电话: 13302876826
Copyright © 2025,www.chipsensor.cn,All rights reserved 津ICP备2022001441号
了解更多资讯