引言:储能规模化爆发下的安全新挑战
11月5日,第八届虹桥国际经济论坛之“新型储能高质量发展促进全球能源转型”分论坛在沪举行。从现场获悉,截至2025年9月,中国新型储能装机规模已历史性突破1亿千瓦,成为新型电力系统的重要组成部分。
然而,随着装机容量的激增和项目规模的扩大,储能系统的安全运行成为了行业持续健康发展的生命线。特别是电池舱内高能量密度电池的聚集,使得电气绝缘故障、直流拉弧等风险成为悬在头顶的“达摩克利斯之剑”。在此背景下,现代储能系统需要什么样的保护措施?下文将展开讨论。

储能系统常见的安全措施
针对柜式锂电池储能系统的安全措施,是一个复杂的系统工程,除去电池本体选用安全性更高的电芯材料(如磷酸铁锂)以及结构设计等元素外,通常从电气安全、热管理、机械结构、消防安全和监测预警等多个维度进行综合防护。以下是常见的核心安全措施:
1. 电气安全
l 绝缘监测:实时监测绝缘电阻,防止漏电和短路风险(如使用磁通门传感器或高精度绝缘检测装置)。
l 过流/过压保护:配置BMS(电池管理系统)实时监控电池电压、电流,触发断路保护。
l 接地保护:确保系统可靠接地,防止静电积累和触电风险。
2. 热管理
l 主动/被动散热:采用液冷、风冷或相变材料,控制电池温度在安全范围内(通常15°C–35°C)。
l 温度均衡:通过BMS监控单体电池温度差异,避免局部过热。
3. 机械结构
l 防火材料:柜体采用阻燃或耐火材料(如钢板+防火涂层)。
l 防爆设计:配置防爆阀、泄压通道,防止热失控导致爆炸。
l 抗震抗冲击:结构设计满足抗震标准,防止机械损伤。
4. 消防安全
l 气体灭火:配置七氟丙烷或全氟己酮灭火系统,快速扑灭初期火情。
l 烟雾/温度报警:安装烟感、温感探测器,联动灭火和断电机制。
l 隔离设计:电池模组间设置防火隔断,阻止火势蔓延。
5. 监测预警
l 多参数监测:实时监测电压、电流、温度、气体(如CO、VOCs)等,预警异常。
l 远程监控:通过云平台实时上传数据,支持远程故障诊断和预警。
6. 运维管理
l 定期巡检:检查电气连接、绝缘状态、散热系统等。
l 应急预案:制定火灾、漏电等应急处置流程,定期演练。
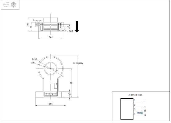
FR2V系列磁通门漏电流传感器
FR2V系列是基于磁通门技术(Fluxgate)的电流传感器,能高精度测量直流系统中的微小漏电流,全系列拥有±0.5% 的典型精度,典型增益误差也仅为±0.5%,,以及极高的零点稳定性(典型值±20mV)和极低的温度漂移(±1.5mV/K),使其在工作温度范围内读数几乎不受环境温度影响,能有效区分真实的漏电信号与温漂噪声,避免误报警。该系列量程范围广,覆盖±10mA至±300mA,满足不同规模储能系统的需求。并具有500ms响应时间,适用于实时保护。并拥有隔离耐压高达3kV AC/1min(符合IEC 60664-1),电气间隙与爬电距离均达到7.2mm。这确保了在1500V直流储能系统中,即使出现瞬时高压浪涌,传感器也能在原副边之间建立可靠的安全屏障。

FR2V系列在储能系统中的应用
电池包在长期充放电循环及复杂工况下,其内部线路、连接端子的绝缘层可能因老化、震动、潮湿而劣化,产生对地的漏电流。若不及时发现,漏电流会逐渐增大,最终可能引发短路、热失控,甚至导致整个电池舱起火燃烧。FR2V传感器的解决方案如下:
1. 直流漏电流监测
储能系统绝缘故障检测:FR2V基于磁通门技术,能高精度测量直流系统中的微小漏电流(如±10mA),适用于储能柜中直流母线对地绝缘状态的实时监测。当绝缘电阻下降(如老化、受潮或机械损伤),漏电流会增加,FR2V可及时检测并输出电压信号,通过BMS或监控单元采集输出电压(±5V),可设定阈值(如30mA)触发保护动作。或者结合欧姆定律,可实时计算正负极对地的绝缘电阻值(Riso)进行多级阈值管理:
l 预警(如 Riso < 100 kΩ):绝缘水平下降,系统记录数据趋势,提示计划性维护。
l 告警(如 Riso < 50 kΩ):绝缘已恶化,发出声光告警,上报云平台。
l 故障(如 Riso < 10 kΩ):严重安全风险,立即指令断路器分闸,实现毫秒级保护。
其应用框架图如下:
2. 电池堆叠系统的故障诊断
电池模组间绝缘监测: 在多模组堆叠的储能柜中,FR2V可检测模组间或模组对地的漏电流,定位故障模组。其工作温度为-10°C~70°C,存储温度为-40°C~85°C,适应户外储能柜环境,但也避免传感器长时间暴露在>100°C环境(如靠近功率器件),以保证寿命。另外其仅有20mA电流消耗,不增加系统负担。其应用框架图如下:
系统集成与信号处理
输出接口:
l 输出电压信号(±5V),可直接接入PLC、BMS或数据采集卡(如NI、ADI)。
l 推荐负载电阻10kΩ,确保测量精度。
机械安装:
l 使用M4螺钉固定,安装力矩0.9N·m(±10%)。
l 原边过孔Φ20mm,适配标准母排。
安全与合规性
l 绝缘耐压:3kV AC/1min,满足储能系统高压安全要求。
l 防火材料:外壳UL94-V0级阻燃,符合储能柜防火标准。
风险预警与维护
l 定期校准:每年检查零点漂移(典型±20mV),确保测量准确性。
l 环境适应性:避免安装在振动或潮湿位置,影响传感器性能。
总结:
FR2V H00系列凭借高精度、低温漂、快速响应和强隔离特性,是现代储能系统直流漏电流监测的优选方案,尤其适用于对安全性要求极高的柜式锂电池储能。结合BMS和消防系统,可构建多层次安全防护网络。
在储能装机迈向亿千瓦级别的今天,FR2V系列漏电流传感器提供的已不仅是一个元器件的功能,其价值可远不止一次紧急断电,长期的精度稳定性才是实现预测性维护的关键,通过持续监测绝缘电阻的历史衰减曲线,可助运维团队从定期检修转向基于状态的检修(CBM),精准决策,提升系统可用性与全生命周期价值。