传感让世界更智能
芯森感受美好世界
客户至上、品质卓越、创新思变、诚信合作

公司始终以“持续为客户提供更优的传感器,成为一流智能传感方案服务商”为使命

为客户提供高质量、高可靠性、高一致性、高性价比和完全自主可控的传感器

关于我们
联系我们
News information
新闻中心
让供电切换更稳:电压传感器 VN2A 在 UPS 中的实践方案
来源: | 作者:芯森电子 | 发布时间: 2025-08-11 | 482 次浏览 | 🔊 点击朗读正文 ❚❚ | 分享到:

电压传感器主要作用是对电路中的电压进行测试和测量,因此电压传感器的应用是随着现代电子设备中的广泛应用而增多的。本文主要探讨芯森电子一款电压传感器VN2A 25 P00在不间断电源(UPS)中的应用。

 

不间断电源(UPS)的基本概念

UPS简介

UPS即不间断电源(Uninterruptible Power Supply),是一种含有储能装置的不间断电源。主要用于给部分对电源稳定性要求较高的设备,提供不间断的电源。

不间断电源(UPS)是将蓄电池(多为铅酸免维护蓄电池)与主机相连接,通过主机逆变器等模块电路将直流电转换成市电的系统设备。它主要用于给单台计算机、计算机网络系统或其他电力电子设备如电磁阀、压力变送器等提供稳定、不间断的电力供应,保证这些设备仪器的不间断运行,防止计算机数据丢失、电话通信网络中断或仪器失去控制

 

UPS工作原理

系统组成

典型的UPS系统框图如图1所示,它的基本结构是一套将交流电变为直流电的整流器和充电器,以及把直流电再变为交流电的逆变器,电池在交流电正常供电时贮存能量且维持在一个正常的充电电压上,一旦市电供电中断时,蓄电池立即对逆变器供电以保证UPS电源交流输出电压。

 

1

 

构造

从基本应用原理上讲,UPS是一种含有储能装置,以逆变器为主要元件,稳压稳频输出的电源保护设备。主要由整流器、蓄电池、逆变器和静态开关等几部分组成。

 

种类

UPS按工作原理分成后备式在线式在线互动式三大类。

电压传感器在UPS中的作用

电压传感器的基本原理

 

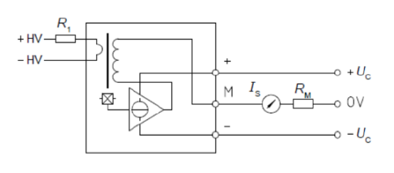
霍尔闭环电压传感器

工作原理:

在被测量电压两端串联电阻R,形成非常小的原边电流Ip,原边电流Ip和原边线圈产生原边磁场,这个原边磁场和输出电流Is在补偿线圈上产生的磁场大小相等,方向相反,霍尔感应器件和处理电路与补偿线圈一起输出电流Is,该输出电流Is精确反映被测电流Ip的大小和方向,进而精确反映被测电压Vp的大小和方向。不同种类的电压传感器原边电阻R,有的集成在传感器中,有的需要客户使用时外接。

 

 

 

技术特点:

高电压测量 安全绝缘

高精度 低温漂

非常好的非线性失真

 

电压传感器在UPS中主要作用:

电压传感器在UPS(不间断电源)中主要用于监测输入/输出电压,确保电力供应的稳定性和安全性。具体是:根据传感器采集的电压值或者电流值去判断当前电网或者负载的状态,

然后决定UPS 需要哪种模式工作,去进行精准的闭环控制,以满足苛刻负载的要求。

 

电压传感器VN2A在在线式 UPS中的应用

 

在线式UPS的核心结构主要由整流器、 逆变器、 蓄电池组、 静态开关控制逻辑电路组成,其特点是将负载的交流电始终通过逆变器供电,确保电力供应不间断。

 

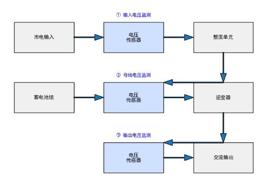
在线式UPS结构比较复杂,在线式 UPS 的电能路径是“市电 → 整流 → 直流母线 → 逆变器 → 负载”,在“输入、母线、输出”三个关键电压节点需要用到电压传感器持续监测。

 

1、输入电压监测:安装部署在市电输入与整流单元之间,实时检测电网电压幅值和波形。原理是:高压交流信号经测量电阻和闭环霍尔电压传感器VN2A转换成隔离的低压电流信号。控制板读取该信号,判断市电是否在安全范围内。如果市电电压异常,控制板立即启动蓄电池供电,并切断市电路径。

2、母线电压监测:安装在高压直流母线上,监控整流输出电压和蓄电池放电电压。得到的数据用于稳压控制、蓄电池管理(充放电策略)、故障检测。

3、输出电压监测:安装在逆变器与负载之间,实时监控输出电压的幅值和波形质量。控制板根据该信号微调逆变器的驱动策略,保证输出稳定。

 

VN2A技术特点

闭环霍尔原理:高精度、优良线性、低温漂。

安全隔离:原副边绝缘耐压达4.2kV AC,瞬态耐压16kV

宽测量范围10V–1500V,适配直流、交流及脉冲信号。

高速响应:跟踪时间仅25µs,适合动态电压监测。

UL94-V0 阻燃外壳 + IEC 61800-5-1 / IEC 62109-1 等国际标准符合性。

 

以上方案高精度、高隔离、快速响应等方面有优势,但在工程应用中也需要注意以下问题

1、需要通过串联测量电阻(R1)来限流,不同电压等级的 UPS 需要不同的 R1 配置;

 

2、如果有强电磁干扰,可能需要额外的滤波与屏蔽设计,以免影响采样精度;

3、装配和维护人员必须有高压作业资质

 

结语:

电压传感器贯穿UPS整机运行全程的关键检测,在保障供电切换的准确性,维持输出电压的稳定性,检测电池的充放电状态和健康状态等方面有举足轻重的作用。