随着 “千乡万村驭风行动” 等政策的推进,以及2025年国家能源局《关于有序推动绿电直连发展有关事项的通知》出台,风电下乡已经成为乡村振兴、促进能源转型的重要举措,也给新农村带来了经济收入、生态旅游多重收益。传感器技术作为新型电力系统的"神经末梢",本文尝试讨论芯森电子CR1A高精度电流传感器如何在风电下乡中的应用。
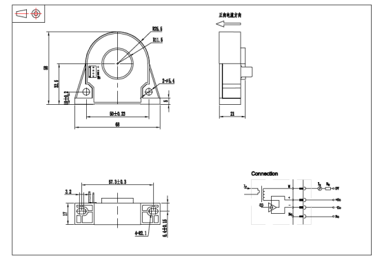
CR1A系列是基于霍尔原理的闭环(补偿)电流传感器,原边与副边之间是绝缘的,无插入损耗,用于测量直流、交流和脉冲电流。具有优异的线度和精度,低温漂等特性。
一、CR1A传感器在风电下乡中的应用
一、风电变频器核心应用
1、全工况电流监测
宽量程覆盖:-50~500A测量范围适配2MW风机空载至过载状态,反向电流检测能力应对风机反送电工况
瞬态响应:0.5μs级响应时间精准捕捉IGBT开关瞬态,降低变流器击穿风险
环境适应性:-40℃~85℃操作温度满足北方严寒地区需求,±0.5%精度温漂保障低温稳定性
2、效率提升技术
l 农村地区因风速较低,电流输出可能波动或不稳定。±0.5% of /PN高精度和快速响应时间(0.5μs)能及时检测微小电流变化,基于此数据,控制系统可以调整变频器的参数(如PWM频率),补偿低风速带来的功率损失。
l 200kHz带宽谐波分析功能优化PWM控制策略,减少开关损耗
l 原边Φ23mm过孔设计降低电缆插入损耗,母排全填充结构提升di/dt动态特性

二、电网稳定性与安全增强
1、监控系统作用
绝缘监测:4.2kV交流隔离耐压(IEC 60664-1)阻断农村电网共模干扰
故障防护:CATⅢ绝缘等级配合100ms级响应,实现接地故障快速隔离
2、绿电进村技术
防尘防水:MOLEX 5045插座IP67防护等级应对沙尘/潮湿环境
简易运维:0.9N·m安装力矩支持徒手操作,水平/垂直双安装适配不同杆塔结构
二、CR1A传感器在风电下乡项目中的实际应用案例分析
一、项目背景概述
某2MW风电场下乡项目位于北方高寒地区(极端温度-30℃),采用CR1A 300 H00传感器配套变流器系统,主要解决以下痛点:
电网适应性差:农村电网存在3kV级瞬态过电压和频繁谐波干扰
运维难度大:偏远地区缺乏专业维护人员
环境挑战:冬季低温导致传统传感器精度漂移超±2%
二、CR1A传感器具体应用与成效
1、核心功能实现
动态电流监测:利用200kHz带宽捕捉变流器开关频率(30kHz PWM),500A瞬态电流测量能力应对风机启停冲击
绝缘保护:4.2kV交流隔离耐压(IEC 60664-1)抵御电网浪涌,CATⅢ绝缘等级防止漏电事故
关键性能指标
2、经济效益
l 变流器故障率下降42%
l 因精度提升带来的发电量增益约3.2%/年
l 免维护设计降低运维成本60%
三、实施挑战与解决方案
挑战一:极寒环境稳定性
问题:-30℃时传感器输出漂移
解决:启用内置温度补偿算法(IOT参数±0.2mA温漂控制),母排全填充结构优化热传导
挑战二:农村电网干扰
问题:雷电导致误报警
解决:
l 加装MOLEX 5045插座(IP67防护)
l 配置RM电阻(0~48Ω可调)优化阈值
挑战三:安装标准化
问题:现场人员误操作导致损坏
解决:
l 采用0.9N·m力矩螺丝刀统一安装
l 原边Φ23mm过孔设计兼容非标电缆
四、典型应用场景
1、变流器保护
监测定子侧±300A电流,当检测到6倍额定电流(1.8kA)时,1μs级响应触发IGBT关断
2、电网接入点监控
通过2000匝副边线圈(RS=46Ω)实现0.1%线性度,精确计量上网电量
三、风电下乡未来趋势
随着风能技术的持续进步以及相关政策支持、法律法规不断完善,风电下乡将有更广阔的前景,风电下乡,通过 “企业 + 村镇 + 农户” 模式,村集体以土地入股,农民通过分红、就业等方式参与项目,可实现农民增加收入,走出了一条 “风电+ 产业” 的乡村振兴之路。