传感让世界更智能
芯森感受美好世界
客户至上、品质卓越、创新思变、诚信合作

公司始终以“持续为客户提供更优的传感器,成为一流智能传感方案服务商”为使命

为客户提供高质量、高可靠性、高一致性、高性价比和完全自主可控的传感器

关于我们
联系我们
News information
新闻中心
国产替代 | 芯森CR1A H00闭环霍尔电流传感器介绍
来源: | 作者:天津芯森电子科技有限公司 | 发布时间: 2023-09-19 | 1190 次浏览 | 🔊 点击朗读正文 ❚❚ | 分享到:

CR1A H00系列是芯森电子自主研发的一款用于测量直流、交流、脉冲电流的闭环霍尔电流传感器,标准量程支持100~300A,副边采用MOLEX 5045-04A,量程及接口可定制。精度±0.5%,满足高精度测量需求,可对LT308-S7系列进行国产替代。目前,该产品已广泛应用于交流变频调速、SMPS、焊机电源、风能变频器等领域。

                                               

一、产品描述

1.产品特性

l  基于霍尔原理的闭环(补偿)电流传感器

l  原边和副边之间绝缘

l  原材料符合UL 94-V0

l  优异的线性度

l  出色的精度

l  低温漂

l  没有插入损耗

l  执行标准:

l  EN50178: 1997

l  IEC 61010-1: 2000

l  UL 508: 2010

2.技术规格(以CR1A 100 H00为例)

 

二、应用领域

l  交流变频调速,伺服电机

l  不间断电源 (UPS)

l  直流电机驱动的静止式变流器

l  开关电源 (SMPS)

l  电焊机电源

l  电池管理

l  风能变频器

l  测试和测量设备

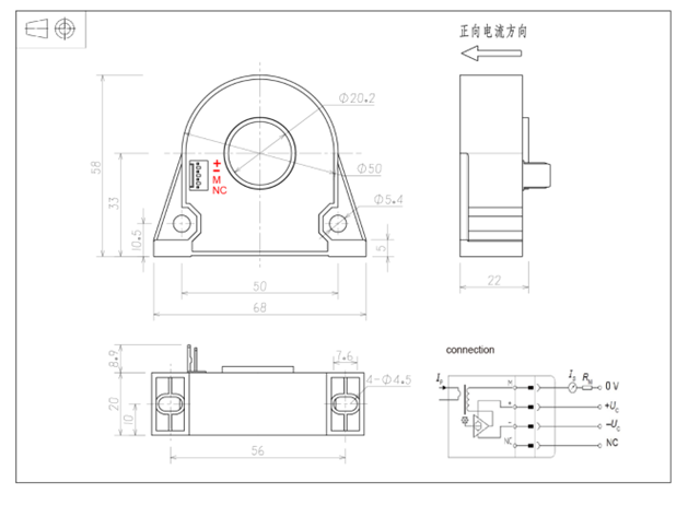
三、产品尺寸外观

规格书及更多产品,请联系芯森。

 

关于我们:天津芯森电子科技有限公司坐落于天津市宝坻区京津中关村科技城,是一家专业从事电流、电压传感器研发、生产、销售和服务为一体的国家高新技术企业。公司霍尔及磁通门技术电流、电压传感器主要对标瑞士LEM集团,德国VAC,日本Tamura,美国Allegro和Honeywell等国际厂家产品。根据客户需求,自主研发了系列电流、电压传感器。电流传感器测量范围从5mA到5000A,电压传感器从10V到6400V,广泛应用于光伏,风能,储能、新能源汽车、充电桩和工控设备等领域。